De Tweede Geerden 11
5334 LH Velddriel
Postbus 34
5324 ZG Ammerzoden
Telefoon 0418-638985
Fax 0418-638989
info@vsn-bv.nl

Home   Over VSN   Partners
VSN op Facebook
       Ventilatieroosters     Aerofil     Muurroosters     Raamroosters     Inbraakwerend     Deurroosters     Suskasten     Serreventilatie

Officieel VSN-ARALCO partner:

Ventilatie Systemen Nederland heeft een alternatief voor elk concurrerend rooster.


Goed ventileren vermijdt gezondheidsklachten

Een slechte binnenlucht kan gezondheidsklachten veroorzaken zoals hoesten, hoofdpijn en chronische verkoudheid.



WAAROM VENTILEREN?

Goed ventileren is enorm belangrijk. Niet alleen omdat frisse en schone lucht in huis prettig is, maar vooral omdat het gezond is. Een vochtige en dus ongezonde lucht in huis veroorzaakt tal van klachten zoals hoofdpijn, keelpijn, allergieën, benauwdheid en astma. Niet alle mensen zijn zich hiervan bewust. Sterker nog, veel mensen kampen met vage klachten waarvan ze de oorzaak niet kennen.
Lees het gehele artikel . . .

 

Productoverzicht - Junior 150 Design (EPC)

Download een CAD bestand van de Junior 150 Design in een van de volgende formaten:

DRW formaat
DWG formaat
DXF formaat

Klik hier om de brochure van de Junior 150 Design te downloaden.

Thermisch geïsoleerd draaiventilatierooster met traploos regelbare afdichtingscilinder en voorzien van een eenvoudig afneembare binnenkap (Airclip) voor een totale reiniging bij klein onderhoud. De draaicilinder is eveneens gemakkelijk uitneembaar voor totale reiniging bij groot onderhoud, zonder dat het rooster uit het raam of het glas dient gedemonteerd te worden.
De zelfregelende klep reageert automatisch op variërende druk zodat er steeds aan een constant debiet wordt geventileerd. Dit zorgt voor een hoger comfort.

Waarden Junior 150 EPC
Capaciteit bij 2 Pa (m³/h.m) (cfr NEN 1087) 60
Luchtgeluidsisolatie RqA in dB(A) -3,2
Geluidsniveauverschil Dne,W in dB (cfr. ISO 140-1 & ISO 717-1) 27 (-1;-2)
Warmtedoorgangscoëfficient U=2,7 W/m².K, temperatuurfactor (f)=0,8
Wind- en waterdichtheid (cfr. NEN 1027 & NEN 2278) Tot 450 Pa (tot 45m)
Stijfheid en sterkte (cfr. NEN-EN 3660) Voldoet aan de hoogste klasse (1600 Pa)
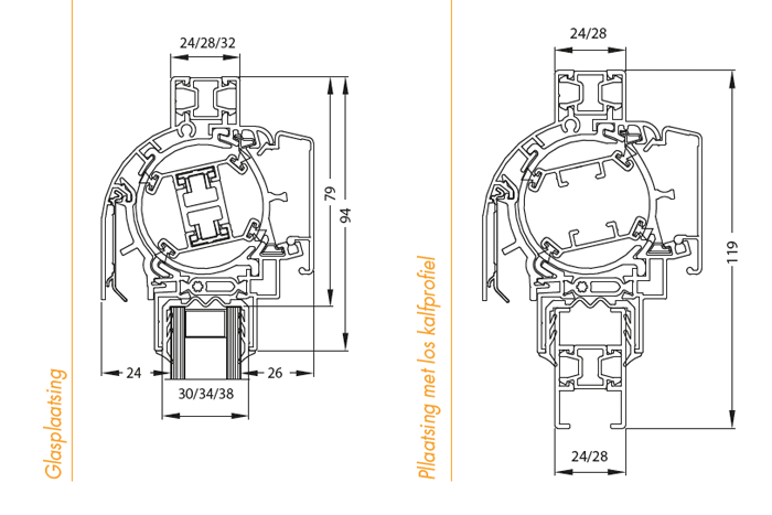
Afmetingen Glasplaatsing Plaatsing met los kalfprofiel
Glasaftrek 79 mm /
Inbouwhoogte 94 mm 119 mm
Glasgoot 30 / 34 / 38 mm /
Sponningsflens 24 / 28 / 32 mm 24 / 28 mm
Uitvoeringen
Bediening Hendel, koord of stang
Eindstukken Zwart, wit en grijs en crème
Afwerking F1 blank geanodiseerd
Alle Ral-kleuren